网站首页
公司简介
公司资质
新闻中心
产品中心
车间一角
联系我们
40.5KV绝缘件
24KV绝缘件
12KV中置柜触头盒
12KV套管
12KV支持绝缘子
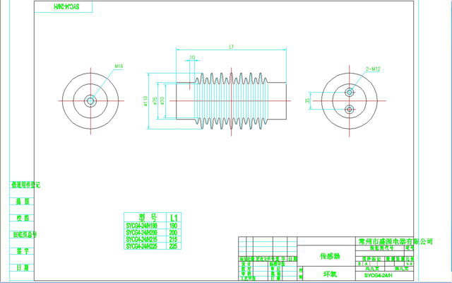
传感器
环网柜
10KV断路器绝缘拉杆
PT车
显示器
静触头
母线夹板
10KV接地开关
电缆支柱
电缆连接器
常州市盛源电器有限公司
地址:常州市新北区春江镇圩塘胜利路58号
联系人:张旭
电话:0519-85770170
手机:13915002319
传真:0519-85773505
邮编:213033
E-mail:SYDQ5770170@126.com
产品中心
SYCG4-24KV传感器
[
关闭本页
]
网站首页
|
公司简介
|
新闻资讯
|
公司资质
|
产品中心
|
车间一角
|
联系我们
|
后台管理
页面版权所有 @ 2022 常州市盛源电器有限公司
苏ICP备11072602号
-- 绝缘件 断路器配件 成套电器配件